16 de diciembre, 2025 XML
< Volver

En estaciones reductoras de presión, conductos de escape de vapor e instalaciones de condensación se pierde una valiosa energía. Gracias al sistema Energify, la empresa CFT GmbH ofrece una solución sencilla y robusta para convertir de manera económica pequeñas diferencias de presión en energía eléctrica. 

De esta forma se pueden ahorrar costes de electricidad y reducir las emisiones de CO₂. El rendimiento del sistema se controla de forma precisa mediante válvulas de compuerta deslizante de Schubert & Salzer.

"Al comienzo tenemos que esforzarnos por convencer de las ventajas del sistema", explica Selcuk Aslan, director del proyecto Energify en CFT. "Nuestro sistema es muy sofisticado, pero la idea y la estructura básica son muy sencillas. Pero por esta misma razón, a veces nos encontramos con escepticismo. Sin embargo, una vez que se ha visto y comprendido Energify, uno se convence rápidamente de la robustez y fiabilidad de la tecnología, y de que lo "sencillo" también representa una gran ventaja".

Con Energify, CFT ofrece una solución a los desafíos a los que se enfrentan prácticamente todas las empresas industriales: la reducción de las emisiones de CO₂ y mejorar la eficiencia energética y de costes. El innovador sistema aprovecha incluso las pequeñas diferencias de presión para generar electricidad y alimentar la propia red eléctrica de la planta.

Estas diferencias de presión existen en casi todas las instalaciones industriales. Se producen, por ejemplo, en estaciones reductoras de presión, conductos de escape de vapor, sistemas de condensación y de contrapresión, y en la mayoría de los casos la energía almacenada en los fluidos se pierde sin ser aprovechada.

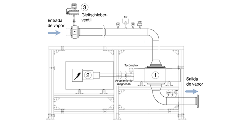
Aprovechamiento óptimo de la energía ya empleada

"Energify optimiza el uso de la energía ya existente", explica Maximilian Igelbüscher, ingeniero de proyectos de CFT. "Para asegurar un flujo de procesos sin interrupciones, nuestro sistema opera siempre en modo bypass. La estructura básica es la siguiente: El vapor o cualquier otro gas se expande a un nivel de baja presión en un expansor de émbolo giratorio. De esta forma se genera energía mecánica. Esta energía es transferida a través de un eje a un generador asíncrono, que entonces suministra electricidad a la red de baja tensión".

Al principio, se presentaron dificultades para poder controlar el rendimiento del expansor con precisión. La válvula de control de asiento cónico utilizada originalmente reaccionaba con demasiada lentitud a los requisitos cambiantes del proceso y no podía suministrar el medio gaseoso de forma fiable con la presión de salida deseada. "Pasamos mucho tiempo buscando una solución para optimizar nuestro sistema en este sentido. Así es como finalmente nos pusimos en contacto con Marcel Mokosch del departamento técnico-comercial de Schubert & Salzer. Nos visitó inmediatamente para discutir el tema y nos presentó una solución con la válvula de compuerta deslizante que superó nuestras expectativas", comenta Maximilian Igelbüscher.

Mejora significativa mediante el uso de la válvula de compuerta deslizante

El excelente rendimiento de control de las válvulas de compuerta deslizante de Schubert & Salzer es debido al principio de diseño, que se basa en dos discos de sellado que se deslizan uno sobre otro (véase el cuadro informativo). Este principio hace que la carrera máxima entre abierto y cerrado sea de apenas 6 a 9 mm y, por tanto, se requieren fuerzas de accionamiento muy bajas.

Gracias a ello, el control es extremadamente preciso y ágil. "La precisión del control ha mejorado notablemente gracias al uso de las válvulas de compuerta deslizante. Ahora regulamos la presión de salida con absoluta precisión", afirma Selcuk Aslan.

Otra ventaja adicional: El uso de la válvula de compuerta deslizante permitió la sustitución de otras dos válvulas. Por razones de seguridad, debe ser posible interrumpir el suministro de vapor o gas en un tiempo máximo de dos segundos. Por este motivo, antes de la válvula de control había instalada una válvula de cierre rápido.

Sin embargo, las válvulas de compuerta deslizante se cierran en milisegundos y, por tanto, también cumplen esta función. "La fiabilidad y los bajos costes de mantenimiento desempeñan un papel determinante en el funcionamiento rentable de una instalación como Energify. Por eso apostamos por un diseño sencillo y una construcción robusta", explica Selcuk Aslan. "La válvula de compuerta deslizante nos ayuda a reducir la complejidad de la instalación, y con un diseño muy compacto".

La diferencia con la tecnología anterior es evidente: La válvula de compuerta deslizante de Schubert & Salzer que se utiliza ahora en DN80 pesa apenas 15 kg, mientras que las dos válvulas de asiento cónico utilizadas anteriormente pesaban juntas unos 170 kg. "Esto supone una gran ventaja, sobre todo en lo que se refiere a los trabajos de mantenimiento anuales necesarios", añade Maximilian Igelbüscher.

Más económico que la energía fotovoltaica

El sistema de demostración Energify se encuentra en una lechería de Münsterland (Alemania), donde se utiliza en la línea de vapor de 8 bar. La rentabilidad del sistema puede ilustrarse claramente de la siguiente forma: con una presión de entrada de 8 bar(g), una presión de salida de 5 bar(g) y una cantidad de vapor media de 2 t/h, se alcanza una potencia eléctrica de 27 kW.

Para un tiempo de funcionamiento anual de unas 6.500 horas, se obtendría una producción de electricidad de 175 MWh al año. El periodo de amortización en estas condiciones es inferior a tres años. En diez años de funcionamiento, incluidos los costes de mantenimiento, podrían ahorrarse más de 270.000 euros.

En otro ejemplo de cálculo, CFT compara Energify con la energía fotovoltaica: una instalación Energify con una potencia de 300 kW, que alcance las 8.500 horas de funcionamiento al año, genera unos 2.550 MWh anuales, en una superficie de tan sólo 40 m². Para generar la misma cantidad de energía con energía fotovoltaica, se necesitaría una superficie de unos 13.500 m² con una tasa de utilización anual de unas 1.000 horas (media en Alemania).

"El potencial de esta tecnología es enorme. Sólo en Alemania se utilizan miles de generadores de vapor. Y el vapor, independientemente de su forma, es solo uno de los medios a partir de los cuales podemos obtener energía. En principio, Energify puede operarse con casi cualquier gas, como nitrógeno, gas de coquería, gas natural o hidrógeno", concluye Selcuk Aslan.

Si te ha parecido interesante, puedes suscribirte a nuestros newsletters

 

Sigue el canal de Industria Química en WhatsApp, donde encontrarás toda la actualidad del sector químico y energético en un solo espacio: la actualidad del día y los artículos y reportajes técnicos más detallados e interesantes. 

Noticias relacionadas

comments powered by Disqus

Utilizamos cookies propias y de terceros para analizar nuestros servicios y mostrarle publicidad relacionada con sus preferencias en base a un perfil elaborado a partir de sus hábitos de navegación (por ejemplo, páginas visitadas o videos vistos). Puedes obtener más información y configurar sus preferencias.

Configurar cookies

Por favor, activa las que quieras aceptar y desactiva de las siguientes las que quieras rechazar. Puedes activar/desactivar todas a la vez clicando en Aceptar/Rechazar todas las cookies.

Aceptar/rechazar todas
Cookies Analíticas

Cookies que guardan información no personal para registrar información estadística sobre las visitas realizadas a la web.

Cookies de Marketing

Cookies necesarias para determinadas acciones de marketing, incluyendo visualización de vídeos provenientes de plataformas como Youtube, Vimeo, etc. y publicidad de terceros.

Cookies de Redes Sociales

Cookies relacionadas con mostrar información provenientes de redes sociales o para compartir contenidos de la web en redes sociales.