27 de diciembre, 2025 XML
< Volver

Un grupo de investigadores de la Universidad de Cambridge logran obtener una eficiencia 446 veces mayor al producir hidrógeno y CNTs con un reactor multi-paso.

Dentro de un reactor de pirólisis que alcanza los 1.300 °C, el metano diluido deja de ser solo un gas fósil para convertirse en dos productos estratégicos: hidrógeno y nanotubos de carbono. Sin combustión. Sin dióxido de carbono como subproducto. Solo química bien afinada y una idea clave: reutilizar el gas una y otra vez hasta aprovecharlo casi por completo.

En esta ocasión, los investigadores de la Universidad de Cambridge han demostrado que es posible cerrar el ciclo del metano dentro del propio reactor, logrando una conversión muy superior a la de los sistemas actuales y abriendo una vía interesante tanto para la transición energética como para la economía de materiales avanzados.

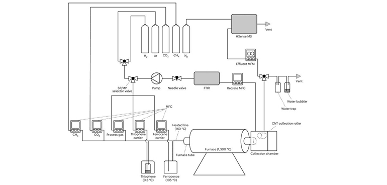
La clave del avance está en modificar un proceso ya conocido, la deposición química en fase vapor con catalizador flotante (FCCVD). Tradicionalmente, este método se utiliza para producir nanotubos de carbono de alta calidad, muy demandados en baterías de ion-litio, electrónica o materiales compuestos. El problema siempre ha sido el mismo: ineficiencia.

En los sistemas convencionales, el metano pasa una sola vez por el reactor. Lo que no reacciona, se pierde. Además, se necesita hidrógeno externo para evitar la formación de hollín, lo que encarece y complica el proceso. Mucho gas entrando. Poco aprovechamiento real.

El equipo de Cambridge decidió cambiar la lógica. En lugar de un sistema de paso único, diseñaron un circuito cerrado multipaso. El gas circula repetidamente por el reactor hasta que el metano se consume casi por completo. El propio hidrógeno generado se reutiliza dentro del sistema, eliminando la necesidad de aportes externos.

Producción de nanotubos de carbono (CNT) e hidrógeno

La reacción de pirólisis del metano no es nueva. Consiste en descomponer el CH₄ a alta temperatura para obtener carbono sólido e hidrógeno gaseoso. Normalmente se ha visto como una vía secundaria para producir hidrógeno, con rendimientos modestos.

Aquí ocurre algo distinto. El carbono no se deposita de cualquier forma, sino como nanotubos largos y bien estructurados, con alto valor industrial. Y el hidrógeno deja de ser un subproducto casi anecdótico para convertirse en un flujo continuo y aprovechable.

El sistema funciona incluso cuando el gas de entrada contiene metano y dióxido de carbono, una mezcla similar a la que sale de una planta de biogás. Ese detalle no es menor. Sugiere que esta tecnología podría integrarse con infraestructuras existentes, sin depender exclusivamente de gas fósil puro.

Pirólisis multipaso del metano

El funcionamiento del reactor es tan simple como insistente. Tras cada paso por la zona caliente, se extrae aproximadamente un 1 % del gas, separando el hidrógeno y recogiendo los nanotubos que se depositan en forma de malla. El resto vuelve a entrar. Una y otra vez.

Ese reciclaje interno reduce drásticamente los residuos y cambia por completo la eficiencia global del proceso. Frente a un reactor de paso único, el equipo observó una mejora de 8,7 veces en el rendimiento de carbono y un aumento de más de 400 veces en la eficiencia molar, una métrica que refleja cuántas moléculas de gas se aprovechan realmente.

Mejoras de eficiencia

Para comprobar si esto podía ir más allá del laboratorio, los investigadores alimentaron un modelo computacional con datos reales de plantas industriales. El resultado fue coherente: el diseño multipaso podría convertir alrededor del 75 % del gas en productos útiles, generando nanotubos e hidrógeno en una proporción aproximada de 3 a 1.

No es una promesa inflada. Es una estimación conservadora basada en condiciones industriales reales. Aun así, supone un salto importante respecto a las tecnologías actuales de producción de hidrógeno a partir de metano, como el reformado con vapor, que siguen generando monóxido y dióxido de carbono.

Este tipo de reactor no va a resolver por sí solo la crisis climática. Pero encaja bien en un futuro energético más híbrido y pragmático, donde no todo depende de una única solución milagrosa.

Puede servir para descarbonizar parte de la producción de hidrógeno a corto y medio plazo, mientras se despliegan alternativas totalmente renovables. Puede reforzar cadenas de suministro de materiales clave para baterías, reduciendo dependencia externa. Y puede integrarse con plantas de biogás, residuos agrícolas o industriales, cerrando ciclos que hoy se desaprovechan.

No es una utopía tecnológica. Es una mejora concreta, medible y replicable. De esas que no hacen ruido, pero cambian las reglas poco a poco. Y a veces, eso es justo lo que más falta hace.

Si te ha parecido interesante, puedes suscribirte a nuestros newsletters

 

Sigue el canal de Industria Química en WhatsApp, donde encontrarás toda la actualidad del sector químico y energético en un solo espacio: la actualidad del día y los artículos y reportajes técnicos más detallados e interesantes. 

Noticias relacionadas

comments powered by Disqus

Utilizamos cookies propias y de terceros para analizar nuestros servicios y mostrarle publicidad relacionada con sus preferencias en base a un perfil elaborado a partir de sus hábitos de navegación (por ejemplo, páginas visitadas o videos vistos). Puedes obtener más información y configurar sus preferencias.

Configurar cookies

Por favor, activa las que quieras aceptar y desactiva de las siguientes las que quieras rechazar. Puedes activar/desactivar todas a la vez clicando en Aceptar/Rechazar todas las cookies.

Aceptar/rechazar todas
Cookies Analíticas

Cookies que guardan información no personal para registrar información estadística sobre las visitas realizadas a la web.

Cookies de Marketing

Cookies necesarias para determinadas acciones de marketing, incluyendo visualización de vídeos provenientes de plataformas como Youtube, Vimeo, etc. y publicidad de terceros.

Cookies de Redes Sociales

Cookies relacionadas con mostrar información provenientes de redes sociales o para compartir contenidos de la web en redes sociales.